Product Summary
The TDA2822M is a monolithic integrated circuit in 8 lead Minidip package. It is intended for use as dual audio power amplifier in portable cassette players and radios.
Parametrics
Absolute maximum ratings: (1)Supply Voltage: 15 V; (2)Peak Output Current: 1 A; (3)Total Power Dissipation at Tamb = 50 ℃: 1 W, at Tcase = 50 ℃: 1.4 W; (4)Storage and Junction Temperature: – 40 to + 150 ℃.
Features
Features: (1)supply voltage down to 1.8v; (2)low crossover distorsion; (3)low quiescent current; (4)bridge or stereo configuration.
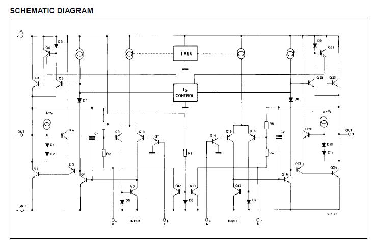
Diagrams

| Image | Part No | Mfg | Description | ![]() |
Pricing (USD) |
Quantity | ||||||||||||
|---|---|---|---|---|---|---|---|---|---|---|---|---|---|---|---|---|---|---|
![]() |
![]() TDA2822M |
![]() STMicroelectronics |
![]() Audio Amplifiers Dual Lo-Volt Pwr Amp |
![]() Data Sheet |
![]()
|
|
||||||||||||
![]() |
![]() TDA2822M-3V |
![]() Other |
![]() |
![]() Data Sheet |
![]() Negotiable |
|
||||||||||||
(China (Mainland))










